细节再现工装-细节再现器具-划线试验块
符合标准:
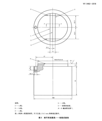
YY/T 0462-2018,7.7细节再现
介绍:
试验块:带如图6和图7中示的划线,由硬化不锈钢材质(400VHN)制成。
环形模具:如图8示。按GB/T131-2006,表面粗糙度为N5(Ra=0.4μm)。
开口模具:如图9示。按GB/T131-2006,表面粗糙度为N5(Ra=0.4μm)。
 
本文地址:http://www.litaoautom.com/pdetail/1914.html
细节再现工装-细节再现器具-划线试验块
符合标准:
YY/T 0462-2018,7.7细节再现
介绍:
试验块:带如图6和图7中示的划线,由硬化不锈钢材质(400VHN)制成。
环形模具:如图8示。按GB/T131-2006,表面粗糙度为N5(Ra=0.4μm)。
开口模具:如图9示。按GB/T131-2006,表面粗糙度为N5(Ra=0.4μm)。